GT Series Big Brake Short Offset hats are precision machined from premium aluminum alloys for high strength and attention to minimized weight. Hats in this category feature threaded rotor mount holes for use with standard through-hole mount rotors. Threaded hole hats may also be used with T-Nuts or bobbins designed for use with specially machined slotted hole dynamic mount rotors. When used in conjunction with matched Wilwood rotor hardware kits, GT hats provide solid, reliable performance in the most demanding conditions. Short Offset Hats are for narrow space applications with offsets often less than 1.00". They are available for most rotor bolt patterns in a variety of four and five lug wheel patterns.
Shallow Offset Hats are for narrow space applications with offsets often less than 1.00". They are available for most rotor bolt patterns in a variety of four and five lug wheel patterns.
Wilwood Engineering designs and manufactures high-performance disc brake systems. Since the company’s inception in 1977 by Bill Wood, we have developed a substantial matrix of brake components and engineering techniques that allow us to quickly and reliably create brake systems for almost any application. Our core ability is the rapid development of custom engineered brake systems using a combination of off-the-shelf and custom components. In addition to designing and manufacturing brakes for all types of competitive motor sports, Wilwood also manufactures brake systems and components for agricultural equipment, industrial applications, utility vehicles, snowmobiles, quads, motorcycles and military vehicles.
With headquarters in Camarillo, California, Wilwood employs approximately 250 people. We have on-shelf stock of more than 300 different brake calipers, 200 rotor designs, 100 master cylinder designs and a wide assortment of brackets, fittings, valves and brake lines. Our off-shelf brake calipers range in size from tiny calipers used on go-carts and light duty industrial equipment, to heavy duty original equipment brakes for the U.S. military Humvee.
Wilwood's engineering department uses the latest computer-aided design and manufacturing techniques in conjunction with finite element analysis, dynamic test and cycle test equipment, to find high-performance and reliability solutions for the most difficult braking tasks. Our extensive inventory of proprietary on-the-shelf components allow us to provide cost-effective solutions for unique brake applications.
Wilwood is ISO 9000 compliant and has extensive experience maintaining quality levels of 100ppm or less for original equipment manufacturers.

| Application Info | |
| Application Note | Mitsubishi Eclipse |
| Hat Bolt Kit Part # | 230-8390 |
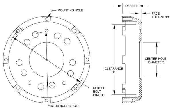
| Hat Dimensions | |
| Center Reg. (in) | 2.67 |
| Hat Offset (in) | 0.940 |
| Mount Hole Type | Threaded |
| Rotor Bolt Circle (in) | 8 x 7.00 |
| Additional Hat Dimensions | |
| Clearance I.D. (in) | 5.90 |
| Face Thickness (in) | 0.24 |
| Hat Stud Diamenter - BC 1 (in) | 0.480 |
| Hat Stud Diamenter - BC 2 (in) | 0.520 |
| Rotor Mount Hole Size (in) | 5/16-18 |
| Hat Type | |
| Finish | Black E-Coat |
| Material | Aluminum |
| Mount Style | Fixed Mount |
| Weight (lbs) | 1.800 |
| Bolt Circle Dimensions | |
| Hat Bolt Circle 1 | 5 X 4.50 |
| Hat Bolt Circle 2 | 5 x 4.50 |